cpi gauges cpi gauges cpi gauges cpi gauges cpi gauges
cpi gauges
cpi gauges home of CPI Gauges information contact us
cpi gauges

WELDING GAUGES
Steel Case

Oxygen cleaned welding gauges (cleaned for oxy. per A.N.S.I. B40.1) suitable for use with oxygen, other fuel gases and medical equipment that are non-corrosive to brass or bronze and where stem mounting is desired. Quality steel construction with one piece polycarbonate posi-lock lens. Recommended for use with compressed gas regulators. Gauges over 1000 PSI UL Listed.

GAUGE SPECIFICATIONS
CASE: Gold or Color Coded Steel Case
LENS:
One Piece Polycarbonate Posi-Lock
SOCKET:
Brass
CONNECTION:
1/8" N.P.T. - 1½" Dial Size
¼" N.P.T. - 2" and 2½" Dial Size (1/8" N.P.T. Available)

MOVEMENT:
Precision Machined Copper Alloy Movement insuring sustained accuracy and extended service
TUBE:
Copper Alloy Bourdon Tube
POINTER:
Black Finished Aluminum
DIAL SIZE: 1½", 2" and 2½"
DIAL FACE:
Corrosion Resistant Aluminum
ACCURACY: 3-2-3% per A.N.S.I. B40.1 Grade B


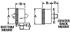
Bottom Mount

Center Back Mount
Dial Size
Type
A
B
C
D
E
1 ½"

BM
1 25/32"
15/16"
1 7/8"
11/16"
½"
2"
2 5/16"
1 1/32"
2 5/16"
63/64"
9/16"
2 ½"
2 55/64"
1 1/32"
2 7/8"
58/64"
9/16"
1 ½"
CBM
1 25/32"
15/16"
N/A
11/16"
½"
2"
2 5/16"
1 1/23"
N/A
7/8"
9/16"
Dimensions subject to change without notice.

Standard dials available: PSI only, PSI/Kg, PSI/kPa or PSI/Bar. Other scales and special configurations can be custom built to your specifications. For more information, contact us at 800/323-5111.
Standard Flow Gauges
GAS SERVICE
FLOWGAUGE
DIA.
FLOWGAUGE
CFH
DRILL #/
ORIFICE SIZE
MAX
PRESSURE
Argon & Ar/CO2 Mix
75%-25%
1 ½"
10-40
71/.026"
60 PSI
Carbon Dioxide
1 ½"
10-40
71/.026"
60 PSI
Argon & Ar/CO2 Mix
75%-25%
2"
10-50
67/.032"
60 PSI
Carbon Dioxide
2"
10-50
69/.029"
60 PSI
Carbon Dioxide
2"
20-100
67/.032"
100 PSI
Other Flowgauges can be built to your specifications.
Standard Dial Pressure Ranges
DIAL RANGES PSI
30†
60
100
200
400
600
1000
2000*
3000*
4000*
6000*
NUMERALS PSIG
5
10
20
40
100
100
200
400
500
500
1000
GRADUATIONS PSIG
1
2
2
5
10
20
20
50
50
100
200
With or without 15 to 30 psi red line • UL Listed 442M
For your copy of A.N.S.I. B40 standard gauge - pressure indicating dial type - elastic element, contact: The American Society of Mechanical Engineers, Three Park Avenue New York, NY 10016-5990 or call: 212/591-8500 Fax: 212/591-8501 www.asme.org STANDARD FLOW GAUGES

Print Version
| Home | Gauges | Information | Contact Us |
P.O. Box 8427 Fort Lauderdale, FL 33310-8427
Toll free: 800.323.5111 • Fax: 954.587.0109